北京科恒盛远科技有限公司联系人:刘经理
手 机:13701358397
地 址:北京市昌平区黄平路19号龙旗广场6号楼603室
板卡照片
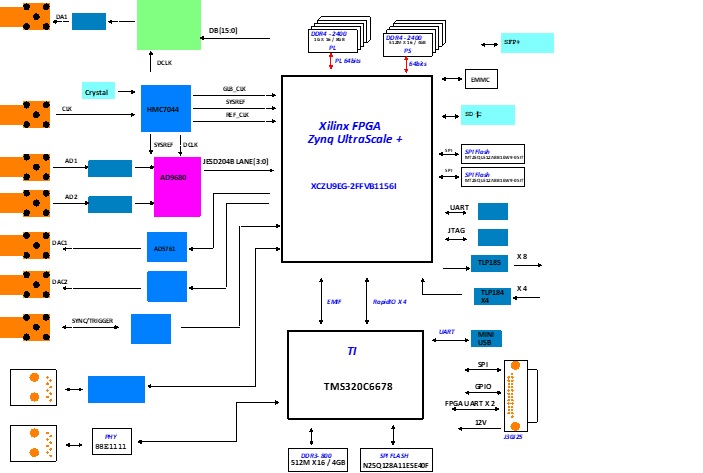
原理框图

技术指标
* ADC: ADC型号AD980,ADC位数:14Bit,采样率1Gsps。
* DAC型号: AD9726, 单通道16位分辨率,最大400Msps更新速率。
* 低速DAC型号:AD5761,2路,DAC建立时间7.5us,可编程多种输出范围。
* FPGA型号:XCZU9EG-2FFVB1156。
* DSP型号: TMS320C6678。
* 时钟芯片:HMC7044。
* 4路光耦隔离输入。
* 8路光耦隔离输出。
* 2个千兆网口,一个是ZU9EG PS端,一个是DSP网口。
* 2个调试串口,一个是ZU9EG PS端,一个是DSP串口。
* 一个SFP+光纤接口。
* 一个SD卡接口。
* PL端一组64位DDR4,芯片型号为MT40A1G16KNR-075:E,总容量为8GB,带宽大于16GB/S。。
* PS端一组64位DDR4,芯片型号为MT40A512M16LY-062E ITE,总容量为4GB。
* 两个512Mb的QSPI FLASH,芯片型号为MT25QL512ABB1EW9-0SIT。
* 一片8GB的EMMC存储芯片。
* 一个FPGA JTAG接口,连接器为MINI USB。
* 功耗:输入电压12V,最大功耗35W。
* 板卡尺寸:200mm X 130mm。
* 工作温度范围:-40℃~85℃。

